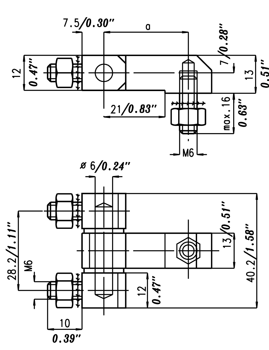
Anschraubscharnier 180°, für einliegende Türen

3080-0220-45-00

Anschraubscharnier 180°, für einliegende Türen

  • Befestigung an Zarge: zum Anschrauben
  • Befestigung an Türe: zum Anschrauben
  • Für einliegende Türen

Produktbeschreibung

Außen liegendes Scharnier.

Technische Daten

  • Artikelnummer: 3080-0220-45-00
  • Material: Stahlblech
  • Oberfläche: verzinkt
  • Material und Oberfläche: der Achse: Stahl vernickelt
    Scheiben: Messing vernickelt
    Gewindestift, Muttern und Fächerscheiben: Stahl verzinkt
  • 1 Scharnier mit Befestigungsmaterial.
CAD-Daten und weitere Darstellungen:
Als PDF speichern Als PDF speichern Direkt-Anfrage
Anschraubscharnier 180°, für einliegende Türen
Anschraubscharnier 180°, für einliegende Türen
Außen liegendes Scharnier.

ArtNr.
Material
Oberfläche
Merken
Stahlblech
verzinkt

Kontakt für Produkte
Finden Sie Ihren persönlichen Ansprechpartner
Wir sind gerne für Sie da

Optimale Schaltschränke und Gehäuse entstehen nicht am Fließband, sondern im Gespräch mit Ihnen. Sind Sie bereit? Dann sprechen Sie am besten gleich mit Ihrem persönlichen häwa Berater.

Jetzt Berater wählen

PM-Leitung: Herr Eglof. PM-Leitung: Herr Eglof.