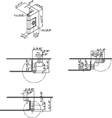
Anschraubscharnier 90°-180°, abgewinkelt

3080-0214-00-03

Anschraubscharnier 90°-180°, abgewinkelt

  • Befestigung an Zarge: zum Anschrauben
  • Befestigung an Türe: zum Anschrauben
  • Für aufliegende Türen

Produktbeschreibung

Universell einsetzbares pulverbeschichtetes Scharnier mit mehreren Montagemöglichkeiten.

Öffnungswinkel je nach Montageart 90° bis max. 180°.

Technische Daten

  • Artikelnummer: 3080-0214-00-03
  • Schwenkbereich: Anschraubscharnier 90°-180° abgewinkelt, Zinkdruckguss | häwa
  • Material: Zinkdruckguss
  • Oberfläche: schwarz
  • Material und Oberfläche: Scharnierstift: Stahl, blau verzinkt
  • 1 Scharnier komplett ohne Befestigungssatz.
CAD-Daten und weitere Darstellungen:
Als PDF speichern Als PDF speichern Direkt-Anfrage
Kontakt für Produkte
Finden Sie Ihren persönlichen Ansprechpartner
Wir sind gerne für Sie da

Optimale Schaltschränke und Gehäuse entstehen nicht am Fließband, sondern im Gespräch mit Ihnen. Sind Sie bereit? Dann sprechen Sie am besten gleich mit Ihrem persönlichen häwa Berater.

Jetzt Berater wählen

PM-Leitung: Herr Eglof. PM-Leitung: Herr Eglof.