0322-8090-45-17
Standpult H122
- Standpult mit oder ohne Montageplatte
 - Einsatz als Schaltpult oder Steuerpult
 
Produktbeschreibung
Mit rückseitiger Stecktüre
Verschluß: 3 mm Doppelbart
Pultplatte: Aufhalteschere rechts (ab B=1000 beidseitig)
Montageplatte: Stahlblech sendzimirverzinkt, tiefenverstellbar (bei T=650 mm 2 Montageplatten)
Kabeleinführungsplatte: Von innen befestigt
Abdichtung: Eingeschäumte Spezialdichtung
Schutzleiteranschluss nach DIN EN 61439-1, Anschluß am Pult, Türen und Montageplatte
Stecktüren vorne und hinten
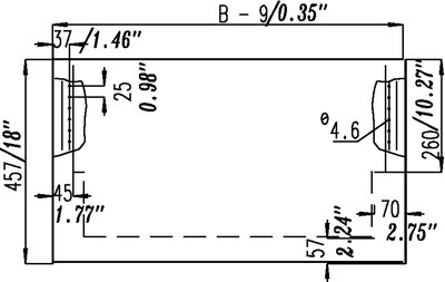
Technische Daten
- 
                                        Artikelnummer: 0322-8090-45-17
 - 
                                        Material: Stahlblech
 - 
                                        Variante: mit Montageplatte
 - 
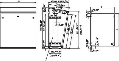
                                        Abmessungen: Breite : 800 mm Höhe : 900 mm Tiefe : 450 mm
 - 
                                        Gewicht: 64 kg
 - 
                                        Blechstärke: Tür: 1,5 mm
Pultplatte: 2 mm
Montageplatte: 3 mm - 
                                        Oberfläche: Pulverlackbeschichtung RAL 7035, Struktur
 - 
                                        Schutzart: IP55
 - 
                                        Schranktyp: Pultsysteme
 
Hinweis
- Andere Verschlussarten auf Anfrage.
 - Edelstahlvarianten auf Anfrage.
 
- Pult kpl. mit Kabeleinführungsplatte und 1 Schlüssel
 
                    
            
                                0346-8001-26-17
                            
                        
                    0346 Sockel 100 mm hoch für Pulte
                                        Breite
                                    
                                    
                                        
                                        800 mm
                                    
                                
                        
                    
                        
                            
                                    
                                        Material
                                    
                                    
                                        
                                        Stahlblech
                                    
                                
                        
                    
                        
                            
                                    
                                        Sockeltiefe
                                    
                                    
                                        
                                        262 mm
                                    
                                
                        
                    
                CAD-Daten und weitere Darstellungen:
                            
                        
                    
                        Kontakt
                    
                
            
            
    
            
                
    
        
            Finden Sie Ihren persönlichen Ansprechpartner
        
    
            
        
            
                
    
        Wir sind gerne für Sie da
    
            
        Optimale Schaltschränke und Gehäuse entstehen nicht am Fließband, sondern im Gespräch mit Ihnen. Sind Sie bereit?
Dann sprechen Sie am besten gleich mit Ihrem persönlichen häwa Berater.