
3070-7393-01-17
Zylinderschloss, VW-Schließung E1
- VW-Schließung E1
Produktbeschreibung
Einschraubbar
Schlüssel nur in geschlossenem Zustand abziehbar
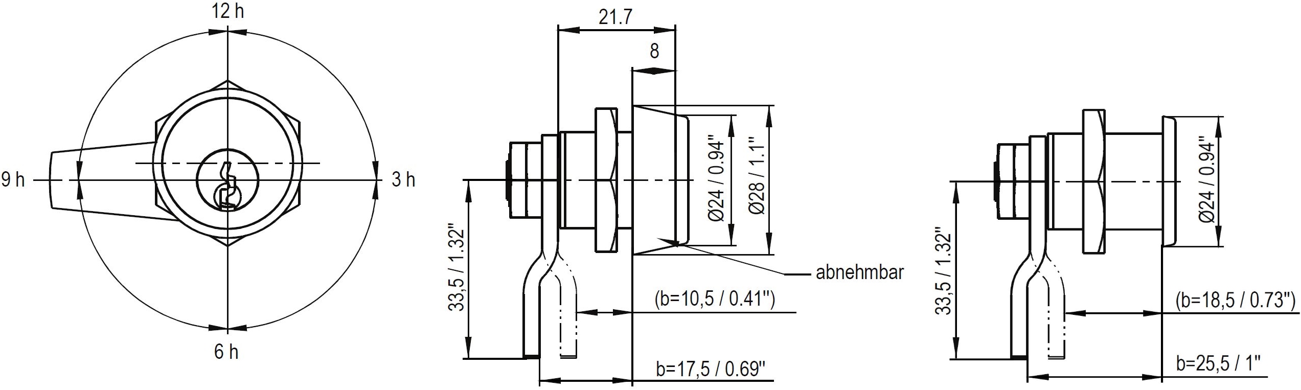
Technische Daten
-
Artikelnummer: 3070-7393-01-17
-
Oberfläche: vernickelt
-
Schließrichtung: rechtsschließend
-
Schließzungenlänge: 33.5 mm
-
Schließweg: 90 °
-
Schließung: E1
-
Schutzart: IP40
-
Maß b: 10,5 / 17,5 / 18,5 / 25,5 mm
Hinweis
- Der für den Einbau erforderliche Schlüssel ist bei der VW-AG anzufordern.
- Rechtsschließend von 12 nach 3 Uhr oder von 6 nach 9 Uhr.
- Verschiedene Schließhöhen (Maß b) durch Kombination von mit/ohne Kegelring und Einbauart der gekröpften Schließzunge (siehe unter Downloads)
- Bei den im Download angeführten "alternativen Einbauöffnungen" ist als Verdrehsicherung die Zahnscheibe 3055-6797-22-00 zu verwenden.
- Andere Ausführung auf Anfrage (andere VW-Schließung und anderes "Maß b")
- 1 Zylinderschloss mit Befestigungsmutter und Schließzunge, aber ohne Schlüssel.
Kontakt für Produkte
Finden Sie Ihren persönlichen Ansprechpartner
Wir sind gerne für Sie da
Optimale Schaltschränke und Gehäuse entstehen nicht am Fließband, sondern im Gespräch mit Ihnen. Sind Sie bereit? Dann sprechen Sie am besten gleich mit Ihrem persönlichen häwa Berater.

