
3070-0322-10-20
Zylinderschloss, kleine Ausführung E1
- Komplett vormontiert
Produktbeschreibung
Einschraubbar
Rechts- und linksschließend einsetzbar
Der Schlüssel ist in beiden Stellungen abziehbar
Geeignet für kleine Türen und Klappen
Technische Daten
-
Artikelnummer: 3070-0322-10-20
-
Material: Zinkdruckguss
-
Oberfläche: verchromt
-
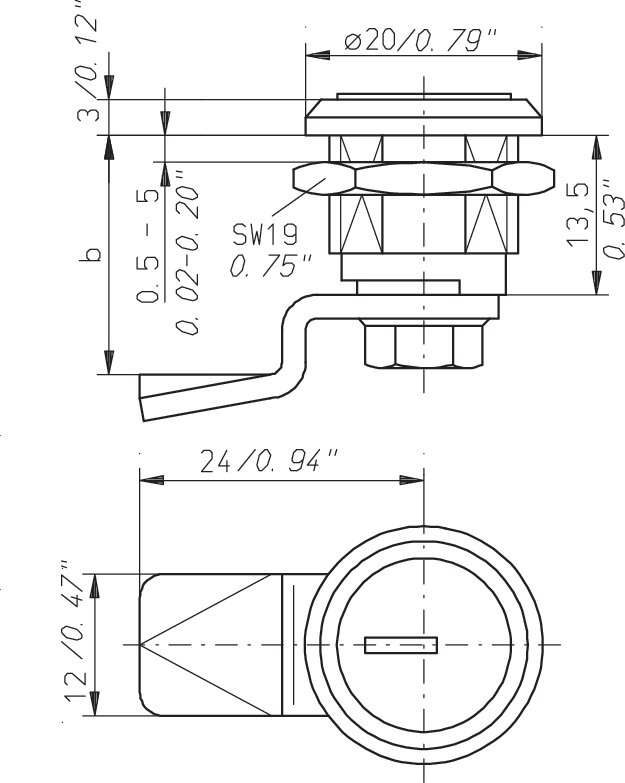
Schließzungenlänge: 24 mm
-
Schließhöhe b: 19.5 mm
-
Material und Oberfläche: Schließzunge und Befestigungsteile: Stahl verzinkt
-
Schließweg: 90 °
-
Schließung: 2233
-
Schutzart: IP40
Hinweis
- Lage der Einbauöffnung beachten. Ausführung mit Erdungsmutter oder aus Polyamid auf Anfrage.
- 1 Zylinderschloss mit Befestigungsteilen, Schließzunge und Schlüssel

3070-0022-33-00
Ersatzschlüssel
Schließung
2233
Material
Neusilber, Griff Polyamid
Oberfläche
Griff schwarz
CAD-Daten und weitere Darstellungen:
Kontakt für Produkte
Finden Sie Ihren persönlichen Ansprechpartner
Wir sind gerne für Sie da
Optimale Schaltschränke und Gehäuse entstehen nicht am Fließband, sondern im Gespräch mit Ihnen. Sind Sie bereit? Dann sprechen Sie am besten gleich mit Ihrem persönlichen häwa Berater.

