
3070-7302-12-23
Drehriegel VE1
- Sicherung durch Vorhängeschloss
Produktbeschreibung
Einschraubbar,
Rechts- und linksschließend einsetzbar
Der Bügel des Vorhängeschlosses schützt die Betätigung vor Zugriff
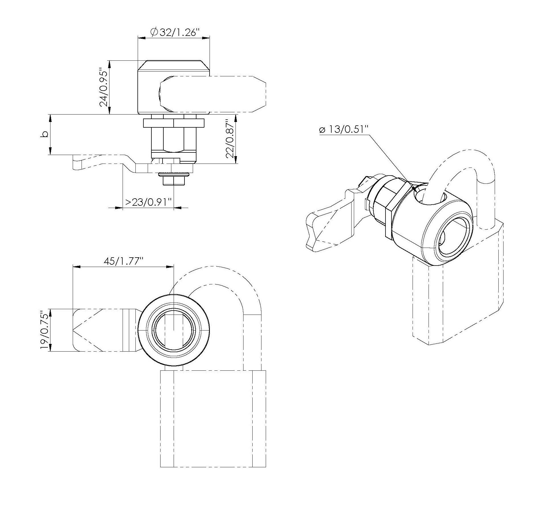
Technische Daten
-
Artikelnummer: 3070-7302-12-23
-
Material: Zinkdruckguss
-
Oberfläche: schwarz
-
Ausführung: Vierkant 7 mm
-
Material und Oberfläche: Gehäuse Zinkdruckguß verchromt, Mutter, Schraube Stahl verzinkt
-
Schließweg: 90 °
-
Gehäusehöhe: 22 mm
-
Schutzart: IP40, mit korrekt montiertem Dichtungssatz IP65
Hinweis
- Andere Ausführung auf Anfrage
- Auswahl der Schließzunge: Dieses Gehäuse ist 4 mm höher als der häwa Standard (22 mm anstelle von 18 mm). Das angegebene „b-Maß“ bei Schließzungen bezieht sich auf eine Gehäusehöhe von 18 mm. Auswahlbeispiel: Wird eine 18 mm Schließhöhe (= b-Maß) benötigt, muss eine Schließzunge mit b-Maß 14 mm gewählt werden.
- 1 Drehriegel mit Befestigungsteilen, jedoch ohne Schließzunge und Vorhängeschloss

3070-0032-00-00
Schlüssel für Gehäuse
Material
Zinkdruckguss
Oberfläche
roh
Ausführung
Vierkant 7 mm






















3070-0304-23-00
Hakenschließzunge Drehriegel
Schließhöhe
18 mm
Material
Stahlblech
Ausführung
Kleine Ausführung

3070-0314-06-00
Schließzunge für Schubstangenanschluß
b-Maß
6 mm
Material
Stahlblech
Mit oder ohne Bolzen
mit

CAD-Daten und weitere Darstellungen:
Kontakt für Produkte
Finden Sie Ihren persönlichen Ansprechpartner
Wir sind gerne für Sie da
Optimale Schaltschränke und Gehäuse entstehen nicht am Fließband, sondern im Gespräch mit Ihnen. Sind Sie bereit? Dann sprechen Sie am besten gleich mit Ihrem persönlichen häwa Berater.

