
3080-0108-29-20
Klappenaufsteller
- mit Einknicksicherung
Produktbeschreibung
Anschraub- oder anschweißbar.
Rechte- und linke Ausführung.
Technische Daten
-
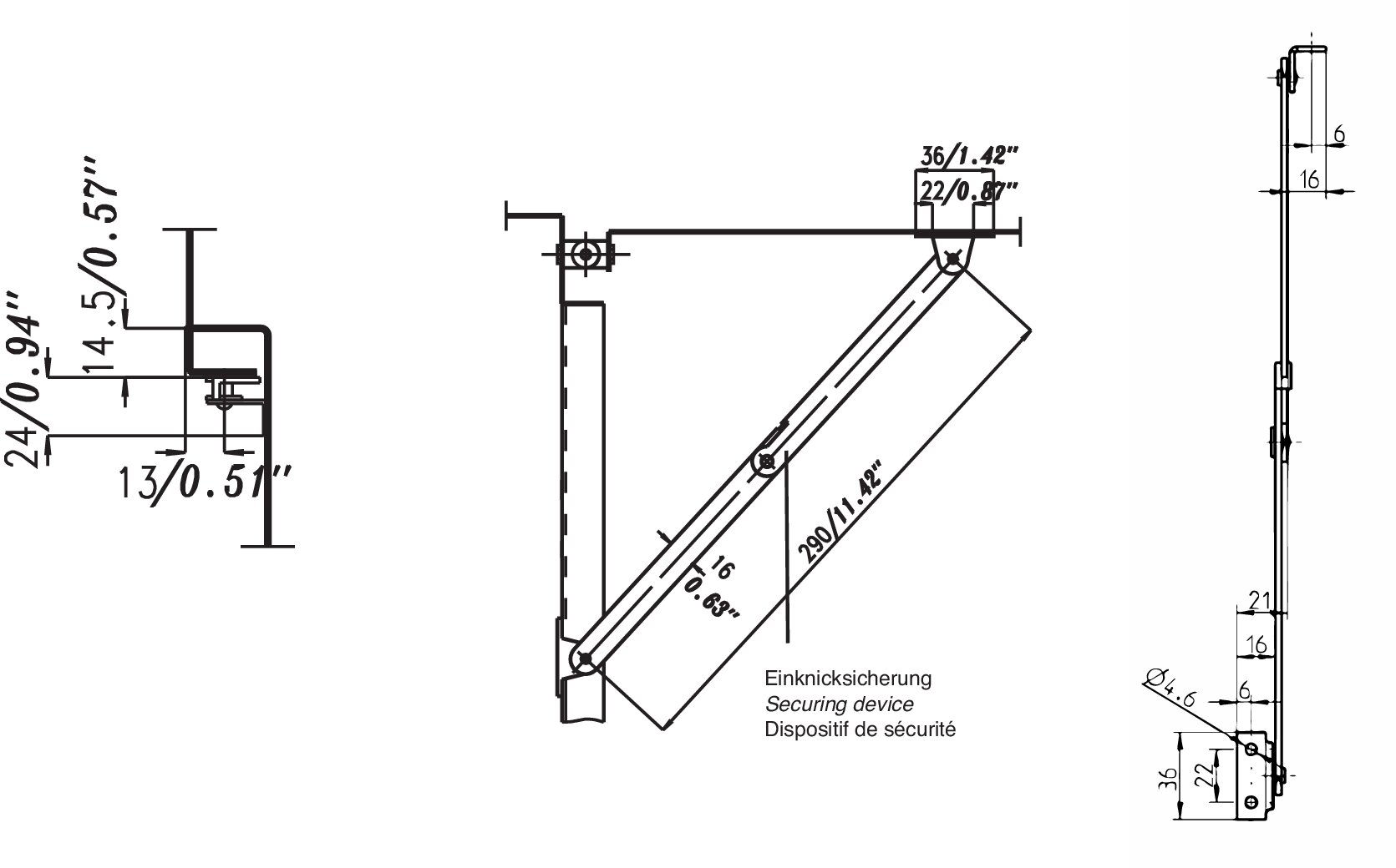
Artikelnummer: 3080-0108-29-20
-
Material: Stahlblech
-
Oberfläche: vernickelt
-
Ausführung: links
Hinweis
- Andere Ausführung auf Anfrage.
- 1 Stück
CAD-Daten und weitere Darstellungen:
Kontakt für Produkte
Finden Sie Ihren persönlichen Ansprechpartner
Wir sind gerne für Sie da
Optimale Schaltschränke und Gehäuse entstehen nicht am Fließband, sondern im Gespräch mit Ihnen. Sind Sie bereit? Dann sprechen Sie am besten gleich mit Ihrem persönlichen häwa Berater.

