Adapter-Flansche

3080-9104-20-00

Adapter-Flansche

  • für Steckerwände

Produktbeschreibung

Zur passenden Reduzierung für den entsprechenden Steckverbinder oder zum Verschließen des Ausbruchs.

Die Montage erfolgt auf die vorgestanzten Ausbrüche.

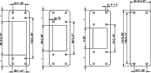
Technische Daten

  • Artikelnummer: 3080-9104-20-00
  • Ausführung: 24 auf 10 pol.
  • Oberfläche: sendzimirverzinkt
  • Material: Stahlblech 2 mm
  • 1 Stück mit Dichtgummi
Schraube DIN 7985
3055-9084-04-08
Schraube DIN 7985
Größe
M4x8
Material
Stahl
Oberfläche
verzinkt
Steckerwände
0396-0018-41-52
Steckerwände
Passend für Tiefe
400 mm
Passend für Höhe
1800 mm
Steckerwände
0396-0018-51-52
Steckerwände
Passend für Tiefe
500 mm
Passend für Höhe
1800 mm
Steckerwände
0396-0018-61-52
Steckerwände
Passend für Tiefe
600 mm
Passend für Höhe
1800 mm
Steckerwände
0396-0020-41-52
Steckerwände
Passend für Tiefe
400 mm
Passend für Höhe
2000 mm
Steckerwände
0396-0020-51-52
Steckerwände
Passend für Tiefe
500 mm
Passend für Höhe
2000 mm
Steckerwände
0396-0020-61-52
Steckerwände
Passend für Tiefe
600 mm
Passend für Höhe
2000 mm
CAD-Daten und weitere Darstellungen:
Als PDF speichern Als PDF speichern Direkt-Anfrage
Adapter-Flansche
Adapter-Flansche
Zur passenden Reduzierung für den entsprechenden Steckverbinder oder zum Verschließen des Ausbruchs.
Die Montage erfolgt auf die vorgestanzten Ausbrüche.


Kontakt für Produkte
Finden Sie Ihren persönlichen Ansprechpartner
Wir sind gerne für Sie da

Optimale Schaltschränke und Gehäuse entstehen nicht am Fließband, sondern im Gespräch mit Ihnen. Sind Sie bereit? Dann sprechen Sie am besten gleich mit Ihrem persönlichen häwa Berater.

Jetzt Berater wählen

PM-Leitung: Herr Eglof. PM-Leitung: Herr Eglof.